進(jìn)口晶振
-
KDS晶振 KDS晶振 -
精工晶體 精工晶振 -
村田陶瓷晶振 muRata陶瓷諧振器 -
西鐵城晶振 西鐵城晶振 -
愛(ài)普生晶振 愛(ài)普生晶振 -
聲表面諧振器 聲表面諧振器 -
微孔霧化片 微孔霧化片 -
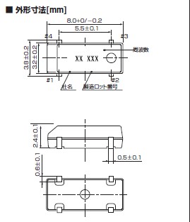
DST310S,KDS晶振 DST310S,KDS晶振





格__.jpg)
