產品系列
- 32.768KHz
- 石英晶振
- 貼片晶振
- 聲表面濾波器
- 陶瓷晶振
- 陶瓷霧化片
- 陶瓷濾波器
- 微孔霧化片
- CTS晶振
- KDS晶振
- 愛普生晶振
- 西鐵城晶振
- 精工晶體
- 村田晶振
- 京瓷晶振
- DST310S晶振
- 日本大河晶體
- NDK晶振
- 亞陶晶振
- 日本富士晶振
- NAKA晶振
- SMI晶振
- NKG晶振
- NJR晶振
- Q-Tech晶振
- ABRACON晶振
- VECTRON晶振
- JAUCH晶振
- ConnorWinfield晶振
- Rakon晶振
- ECS晶振
- Greenray晶振
- ECLIPTEK晶振
- GOLLEDGE晶振
- STATEK晶振
- Pletronics晶振
- SITIME晶振
- Microcrystal晶振
- RALTRON晶振
- AEK晶振
- AEL晶振
- ILSI晶振
- FOX晶振
- fujicom晶振
- CRYSTEK晶振
- interquip晶振
- Geyer晶振
- quartzcom晶振
- qantek晶振
- EUROQUARTZ晶振
- quarztechnik晶振
- Cardinal晶振
- FRE-TECH晶振
- KVG晶振
- wi2wi晶振
- Transko晶振
- suntsu晶振
- mmdcomp晶振
- MERCURY晶振
- MTRONPTI晶振
- ACT晶振
- MTI晶振
- Lihom晶振
- Rubyquartz晶振
- Oscilent晶振
- SHINSUNG晶振
- ITTI晶振
- PDI晶振
- IQD晶振
- Microchip晶振
- Silicon晶振
- Anderson晶振
- Fortiming晶振
- CORE晶振
- NIPPON晶振
- NIC晶振
- QVS晶振
- Bomar晶振
- Bliley晶振
- GED晶振
- FILTRONETICS晶振
- STD晶振
- Wenzel晶振
- NEL晶振
- EM晶振
- PETERMANN晶振
- FCD-Tech晶振
- HEC晶振
- FMI晶振
- Macrobizes晶振
- AXTAL晶振
- SUNNY晶振
- ARGO晶振
- Renesas瑞薩晶振
- SKYWORKS晶振
- NSK晶振
- 臺灣加高諧振器
- 臺灣鴻星晶體
- TXC晶振
- 臺灣希華晶振
- 臺灣泰藝晶體
- AKER晶振
晶振廠家
進口晶振
歐美晶振
臺產晶振
Tel:0755-27838351
Add:廣東深圳市寶安區67區留仙一路甲岸科技園3棟5樓
Email:konuaer@163.com
QQ:632862232
晶振官方博客
更多>>.jpg)
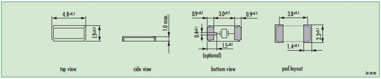
JAUCH晶振,JTX520晶振,高性能石英晶體.貼片晶振本身體積小,超薄型石英晶體諧振器,特別適用于有目前高速發展的高端電子數碼產品,因為晶振本身小型化需求的市場領域,小型,薄型是對應陶瓷諧振器(偏差大)和普通的石英晶體諧振器(偏差小)的中間領域的一種性價比較出色的產品.產品廣泛用于筆記本電腦,無線電話,衛星導航HDD, SSD, USB, Blu-ray等用途,符合無鉛焊接的高溫回流焊曲線特性.
貼片晶振晶片邊緣處理技術:貼片晶振是晶片通過滾筒倒邊,主要是為了去除石英晶振晶片的邊緣效應,在實際操作中機器運動方式設計、滾筒的曲率半徑、滾筒的長短、使用的研磨砂的型號、多少、填充物種類及多少等各項設計必須合理,有一項不完善都會使晶振晶片的邊緣效應不能去除,而石英晶振晶片的諧振電阻過大,用在電路中Q值過小,從而電路不能振動或振動了不穩定.


作為一家全球活躍的公司,我們所有的業務關系都是建立在整個組織的企業社會責任意識的基礎上的.Jauch進口晶振每天都致力于遵循最高的公司治理標準向我們的員工以及我們的客戶、供應商以及參與我們企業成功的所有人,我們所有的活動都是按照社會標準和現行立法進行的.這一承諾適用于整個JAUCH公司:JAUCH Quartz GmbH德國子公司,JAUCH Quartz France SAS,JAUCH Quartz UK ltd .JAUCH Quartz America,inc .和所有現有的業務關系.
.gif)
.gif)
| JAUCH晶振 | 單位 | JTX520晶振 | 石英晶振基本條件 |
| 標準頻率 | f_nom | 32.768KHZ | 標準頻率 |
| 儲存溫度 | T_stg | -40°C~+90°C | 裸存 |
| 工作溫度 | T_use |
-20℃~+70℃ -40℃~+85℃ |
標準溫度 |
| 激勵功率 | DL | 1.0μW Max. | 推薦:100μW ~ 300μW |
| 頻率公差 | f_— l |
±10ppm ±20ppm ±30ppm |
+25°C 對于超出標準的規格說明, 請聯系我們以便獲取相關的信息, http://www.jahson.com.cn/ |
| 頻率溫度特征 | f_tem | ±50× 10-6 /-30°C~+85°C | 超出標準的規格請聯系我們. |
| 負載電容 | C |
7pF~12pF 12.5pF |
不同負載要求,請聯系我們. |
| 串聯電阻(ESR) | R1 | 如下表所示 | -10°C— +60°C, DL = 100μW |
| 頻率老化 | f_age | ±5 × 10-6 / year Max. | +25°C,第一年 |
.gif)


抗沖擊
貼片晶振可能會在某些條件下受到損壞.例如從桌上跌落或在貼裝過程中受到沖擊.如果產品已受過沖擊請勿使用.
輻射
暴露于輻射環境會導致石英晶體諧振器性能受到損害,因此應避免照射.
化學制劑/pH值環境
請勿在PH值范圍可能導致腐蝕或溶解SMD晶振或包裝材料的環境下使用或儲藏這些產品.
粘合劑
請勿使用可能導致SMD晶振所用的封裝材料,終端,組件,玻璃材料以及氣相沉積材料等受到腐蝕的膠粘劑.(比如,氯基膠粘劑可能腐蝕一個晶體單元的金屬“蓋”,從而破壞密封質量,降低性能.)
鹵化合物
請勿在鹵素氣體環境下使用無源32.768K晶振.即使少量的鹵素氣體,比如在空氣中的氯氣內或封裝所用金屬部件內,都可能產生腐蝕.同時,請勿使用任何會釋放出鹵素氣體的樹脂.
靜電
過高的靜電可能會損壞石英晶體諧振器,請注意抗靜電條件.請為容器和封裝材料選擇導電材料.在處理的時候,請使用電焊槍和無高電壓泄漏的測量電路,并進行接地操作.
通過正式的管理評審和對健康、安全和環境實施效果的持續改進保護人群及財產與環境,以最小化使用危險材料、能源和其它資源為目的進行公司產品及服務的安全生產和使用并確保回收利用以防治污染、保存資源的方式進行商務運作并積極地對以往的環境破壞進行揭露持續改進,將環境管理與商務運行和決策過程高度集成規范其行為不斷進行持續改進的實踐.
JAUCH晶振,作為全球企業可持續的社會的實現,集團一體推進地球環境保全活動.推進了環境考慮的高精度晶振產品和服務的產品和服務.為了提供社會,努力維護地球環境.遵守環境相關的法令、條例、限制、協定及其他要求事項,環境負荷的降低和污染的防止努力.
JAUCH晶振公司遵守所有適用的有關環境、健康和安全的法律和法規以及公司自己的有關環境、工業衛生和安全的方針和承諾.與我們的員工一起開創并保持一個免于事故的工作場所.為確保安全、提高保護預防措施、石英水晶振動子產品的可靠性以及職業安全,確保職業健康與環境的優越性,通過正式的管理評審和對健康、安全和環境實施效果的持續改進,保護人群及財產與環境.
JAUCH晶振勞工職業安全衛生議題近年成為世界各國及企業關注焦如何做到‘降低職業災害發生、確保工作場所安全、實施員工健康管理’一直是JAUCH晶體努力的方向,公司于2008年12月通過OHSAS18001職業安全衛生管理系統驗證,提供勞工符合系統要求的安全衛生工作環境.
.jpg)
.gif)
1.技術支持 2.客服咨詢
全方位技術指導,專業的技術支持讓您感受到 專業的銷售團隊,耐心為您解答任何疑問,讓您的
前所未有的后顧無憂. 消費得到保障.
3.質量保證,誠信為上 4.提升業績,降低成本
我司以“以科技為動力,以質量求生存”為理念. 為您的產品量身訂制,免費取樣,
為您做到低成本,高效率.

全方位技術指導,專業的技術支持讓您感受到 專業的銷售團隊,耐心為您解答任何疑問,讓您的
前所未有的后顧無憂. 消費得到保障.
3.質量保證,誠信為上 4.提升業績,降低成本
我司以“以科技為動力,以質量求生存”為理念. 為您的產品量身訂制,免費取樣,
為您做到低成本,高效率.

| 深圳市康華爾電子有限公司 |
| 電 話: +86-755-27838351 |
| 手 機:13823300879 |
| 傳 真: +86-755-27883106 |
| Q Q: 632862232 |
| MSN: konuaer@163.com |
| E-mail:konuaer@163.com |
| 網 址:http://www.jahson.com.cn |
| 地 址:廣東深圳市寶安寶安大道東95號浙商銀行大廈1905 |






銷售代表
售后服務